13961460009
当前位置:首页 > 产品中心 > 称重传感器
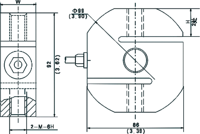
SM-205

SM-205

所属分类:称重传感器

材质:不锈钢
联系我们
产品详情


特点与用途

1、不锈钢材质,S型结构,焊接密封,拉向或压向承载
2、防护等级IP68
3、适用于吊钩秤、机改秤、料斗秤等各类电子称重设备



接线说明:输入(+)红、输出(-)白、输入(-)黑、输出(+)绿、透明:屏蔽


上一篇:SM-204

下一篇:SM-206

在线反馈

相关文章
相关产品
快速导航
网站首页 关于我们 产品中心 新闻资讯 联系我们
手机站
Copyright 2019-2023 常州市苏明仪器有限公司 苏ICP备2024066782号 版权声明 技术支持:江苏东网科技
Top