13961460009
当前位置:首页 > 产品中心 > 称重传感器
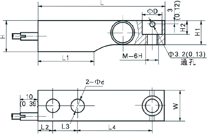
SM-201

SM-201

所属分类:称重传感器

接线说明:输入(+)绿、反馈(+)黄、输出(-)红、反馈(-)蓝、输入(-)黑、输出(-)白、透明:屏蔽
联系我们
产品详情


特点与用途

1、合金钢材质,镀镍,单剪梁结构,胶封,压向承载。不锈钢材质,单剪梁结构,焊接密封,压向承载 
2、防护等级 IP67、防护等级1P680
3、适用于地磅、 汽检线、平合秤、料斗秤及各类电子称重设备。




接线说明:输入(+)绿、反馈(+)黄、输出(-)红、反馈(-)蓝、输入(-)黑、输出(-)白、透明:屏蔽


上一篇:SM-114

下一篇:SM-202

在线反馈

相关文章
相关产品
快速导航
网站首页 关于我们 产品中心 新闻资讯 联系我们
手机站
Copyright 2019-2023 常州市苏明仪器有限公司 苏ICP备2024066782号 版权声明 技术支持:江苏东网科技
Top