13961460009
当前位置:首页 > 产品中心 > 工业称重
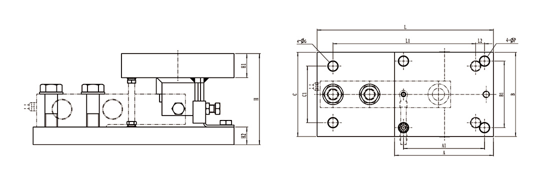
SM-308

SM-308

所属分类:工业称重

结构形式: 单剪切梁结构、压向承载

额定载荷: 1/2/2.5/3/5/7.5/10/15/20/25t

联系我们
产品详情


接线说明:输入(+)红、输入(-)黄、输出(+)蓝、输出(-)白、透明:屏蔽、反馈(+)棕、反馈(-)黑
电缆直径:Φ6.2±0.2mm


结构形式: 单剪切梁结构、压向承载
防护等级: 焊接密封、IP68
适用范围: 适用于动态载荷称重系统
额定载荷: 1/2/2.5/3/5/7.5/10/15/20/25t
防爆等级: (可选)Ex ia IIC T6 Ga,Ex iaD 20 T80
数字信号: (可选)支持RS232/485/422/CAN通讯防翻转、防雷击、水平限位

上一篇:SM-105

下一篇:SM-JXH01

在线反馈

相关文章
相关产品
快速导航
网站首页 关于我们 产品中心 新闻资讯 联系我们
手机站
Copyright 2019-2023 常州市苏明仪器有限公司 苏ICP备2024066782号 版权声明 技术支持:江苏东网科技
Top