13961460009
当前位置:首页 > 产品中心 > 工业称重
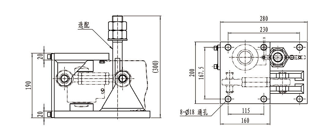
SM-307

SM-307

所属分类:工业称重

结构形式: 柱式结构、压向承载

额定载荷: 1/2/3/5/10/20/25/30/40/50t


联系我们
产品详情


接线说明:
四线制:输入(+)红、输入(-)黑、输出(+)绿、输出(-)白、透明:屏蔽
六线制:输入(+)红、输入(-)黄、输出(+)蓝、输出(-)白、透明:屏蔽、反馈(+)棕、反馈(-)黑
电缆直径:Φ6.2±0.2mm

结构形式: 柱式结构、压向承载

防护等级: 焊接密封、IP68
适用范围: 适用于动静载大量程较高精度称重系统
额定载荷: 1/2/3/5/10/20/25/30/40/50t
防爆等级: (可选)Ex ia IIC T6 Ga,Ex iaD 20 T80
数字信号: (可选)支持RS232/485/422/CAN通讯水平限位、垂直限位、防倾覆、防翻转


上一篇:SM-104

下一篇:SM-105

在线反馈

相关文章
相关产品
快速导航
网站首页 关于我们 产品中心 新闻资讯 联系我们
手机站
Copyright 2019-2023 常州市苏明仪器有限公司 苏ICP备2024066782号 版权声明 技术支持:江苏东网科技
Top