13961460009
当前位置:首页 > 产品中心 > 工业称重
SM-302

SM-302

所属分类:工业称重

配套传感器:SM-203, SM-206
联系我们
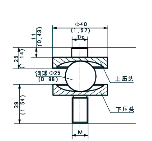
产品详情

不锈钢压头

配套传感器:SM-203, SM-206

特性:

安装方便,钢球自动定心,具有自动复位能力。


上一篇:SM-301

下一篇:GY-303

在线反馈

相关文章
相关产品
快速导航
网站首页 关于我们 产品中心 新闻资讯 联系我们
手机站
Copyright 2019-2023 常州市苏明仪器有限公司 苏ICP备2024066782号 版权声明 技术支持:江苏东网科技
Top